关于我们联系我们 网站地图 您好!欢迎访问米兰电竞app官方下载入口!
诚信立足·创新致远致力于研发、制造中国的高端轴承!
全国咨询热线:15137903805
您的位置: 主页 > ac米兰官方app > ac米兰app安卓版下载

推力球轴承

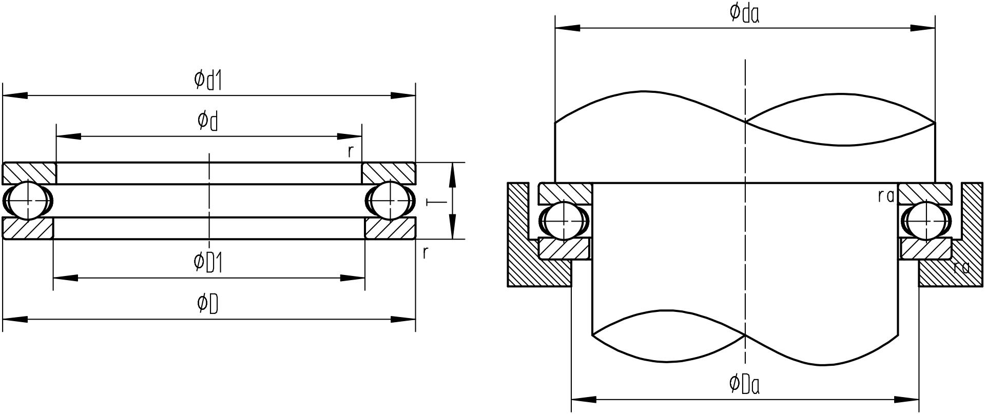
推力球轴承由轴圈、底圈、球和保持架组件构成。

在线咨询 全国热线
15137903805
产品简介 / PRODUCT INTRODUCTION

推力球轴承由轴圈、底圈、球和保持架组件构成。此类轴承是可分离轴承,即球和保持架组件与垫圈可以分别安装。

推力球轴承有单向轴承和双向轴承两种设计,二者都可承受很高的轴向力但不能承受径向力。

推力球.png

1.png

2.png

3.png


热品推荐
Copyright (©) 2005-2025 米兰电竞app官方下载入口 版权所有 备案号:豫ICP备10000262号

豫公网安备 41032202000151号

Baidu
map