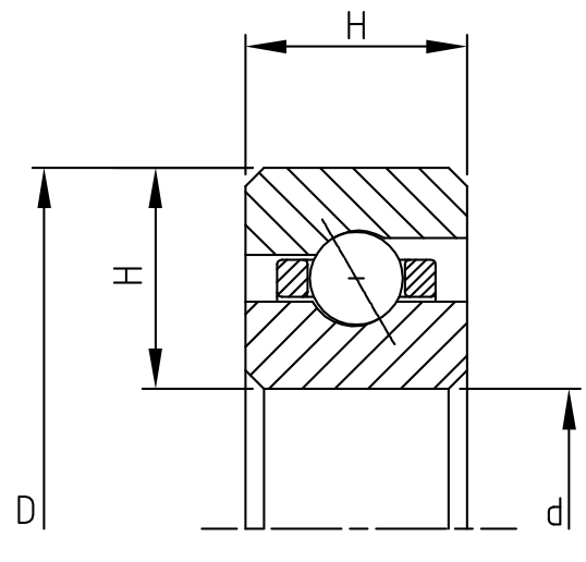
公制等截面薄壁角接触球轴承
A型角接触球轴承与C型轴承不同之处在于A型轴承有足够的径向游隙,能形成足够的接触角来承受轴向载荷。由于具有单向载荷能力,该轴承需要与其它轴承对称配对安装,以设定并保证接触角,同时在受到交变的轴向载荷时使其轴向运动最小。



全国服务热线
公制等截面薄壁角接触球轴承
A型角接触球轴承与C型轴承不同之处在于A型轴承有足够的径向游隙,能形成足够的接触角来承受轴向载荷。由于具有单向载荷能力,该轴承需要与其它轴承对称配对安装,以设定并保证接触角,同时在受到交变的轴向载荷时使其轴向运动最小。


